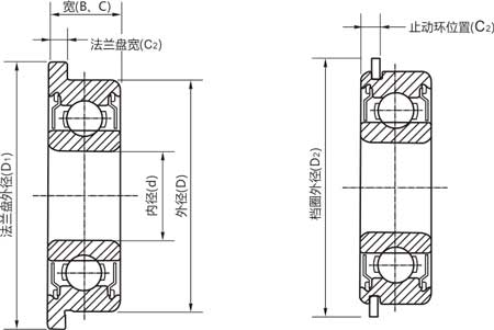
法蘭軸承產品結構圖
說明:
1,開式軸承是指不帶任何密封蓋的軸承。
2,封閉式軸承指軸承兩邊帶密封蓋,ZZ表示兩邊帶金屬蓋,客戶可以根據自己的要求選擇不同的密封蓋。
3,同一個尺寸的軸承,客戶可以選擇不同的材料,等級。
4,以下尺寸為按國際標準的軸承的基本尺寸,如客戶有不同的要求,我們可以定做。
5,相同的軸承有各種不同的代號和叫法,請確認自己需要的軸承的尺寸。
| 型號 Type *點擊型號查看詳情 | 內徑 Bore Diameter | 外徑 Outer Diameter | 法蘭外徑 Flange Diameter | 寬度 Width | 法蘭寬度 Flange Width | 基本額定動負荷 Cr(N) Load Rating Cr(N) | 基本額定靜負荷 Cor(N) Load Rating Cor(N) | 允許回轉數 Max.Speed | ||||
| 潤滑脂 Grease | 潤滑劑 Oil | |||||||||||
| OPEN | zz | OPEN | zz | OPEN | zz | *1000rpm | ||||||
| Fr1-4zzS | 1.984 | 6.35 | 7.518 | 7.518 | 2.38 | 3.571 | 0.584 | 0.787 | 284 | 96 | 67 | 80 |
| Fr133zz | 2.38 | 4.762 | 5.944 | 5.944 | 1.588 | 2.38 | 0.457 | 0.787 | 144 | 53 | 80 | 95 |
| Fr1-5zzS | 7.938 | 9.119 | 9.119 | 2.779 | 3.571 | 0.584 | 0.787 | 552 | 176 | 60 | 71 | |
| Fr144zzS | 3.175 | 6.35 | 7.518 | 7.518 | 2.38 | 2.779 | 0.584 | 0.787 | 284 | 96 | 67 | 80 |
| Fr2-5zz | 7.938 | 9.119 | 9.119 | 2.779 | 3.571 | 0.584 | 0.787 | 558 | 180 | 60 | 67 | |
| Fr2-6zzS | 9,525 | 10.719 | 10.719 | 2.779 | 3.571 | 0.584 | 0.787 | 640 | 227 | 43 | 63 | |
| Fr2zz | 9.525 | 11.176 | 11.176 | 3.967 | 3.967 | 0.762 | 0.762 | 631 | 219 | 56 | 67 | |
| Fr155zzS | 3.967 | 7.938 | 9.119 | 9.119 | 2.779 | 3.175 | 0.584 | 0.914 | 359 | 150 | 53 | 63 |
| Fr156zzS | 4.762 | 7.938 | 9.119 | 9.119 | 2.779 | 3.175 | 0.584 | 0.914 | 359 | 150 | 53 | 63 |
| Fr166zz | 9.525 | 10.719 | 10.719 | 3.175 | 3.175 | 0.584 | 0.787 | 709 | 272 | 50 | 60 | |
| Fr3zz | 12.7 | 14.351 | 14.351 | 4.978 | 4.978 | 1.067 | 1.067 | 1301 | 488 | 43 | 53 | |
| Fr168zzS | 6.35 | 9.525 | 10.719 | 10.719 | 3.175 | 3.175 | 0.584 | 0.914 | 373 | 172 | 48 | 56 |
| Fr188zz | 12.7 | 13.894 | 13.894 | 3.175 | 4.762 | 0.584 | 1.143 | 1082 | 442 | 40 | 50 | |
| Fr4zz | 15.875 | 17.526 | 17.526 | 4.978 | 4.978 | 1.067 | 1.067 | 1480 | 621 | 38 | 45 | |
| Fr1810zzS | 7.938 | 12.7 | 13.894 | 13.894 | 3.967 | 3.967 | 0.787 | 0.787 | 542 | 276 | 40 | 48 |