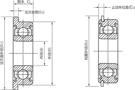
滾珠軸承各部分名稱與代號
各部分名稱
滾珠軸承的零件及各部分名稱。


保持器
滾珠軸承的保持架分為以下幾種:
波形保持器(B) 用2個不銹鋼板沖壓成形的零件組合裝配而成。
裝配時2個零件呈合抱滾珠狀,其中的一個零件上有伸出的卡扣將另一個零件卡牢。

冠形保持器(G) 用不銹鋼板沖壓加工成冠狀的零件。

塑膠保持器(S) 用聚縮醛等塑膠材料制成的保持器,有利于增長使用壽命和減小噪音。

選用時請與本公司聯系。
防塵蓋、塑膠蓋
卡環蓋 記號: zz
適用于DH稱呼
其構造是用彈簧圖卡住金屬防塵蓋。
壓緊蓋 記號: CC或TT
適用于DH稱呼
記號: zz
其構造是金屬防塵蓋壓緊在外輪上。
塑膠蓋非接觸式 記號: 2RS
適用于DH稱呼
其構造是將橡膠密封圈嵌入外輪。
塑膠蓋接觸式 記號:SS
適用于DH稱呼
其構造是將橡膠密封圈嵌入外輪。
相關鏈接:微型軸承
主站蜘蛛池模板:
全南县|
新竹市|
宿迁市|
罗甸县|
曲靖市|
云安县|
武强县|
绿春县|
金门县|
房产|
都江堰市|
尼玛县|
新绛县|
杭州市|
阳曲县|
中江县|
渭源县|
城市|
米易县|
阿瓦提县|
天镇县|
上思县|
通州区|
辉县市|
深州市|
天全县|
陇川县|
精河县|
葫芦岛市|
富民县|
宜春市|
阜南县|
南昌县|
溧水县|
久治县|
鄂尔多斯市|
上林县|
乌兰察布市|
正定县|
庆阳市|
丹阳市|